网站首页
新闻中心
教育培训
精品课程
服务平台
>
交流推广
典型案例
联系我们
当前位置:
首页
教育培训
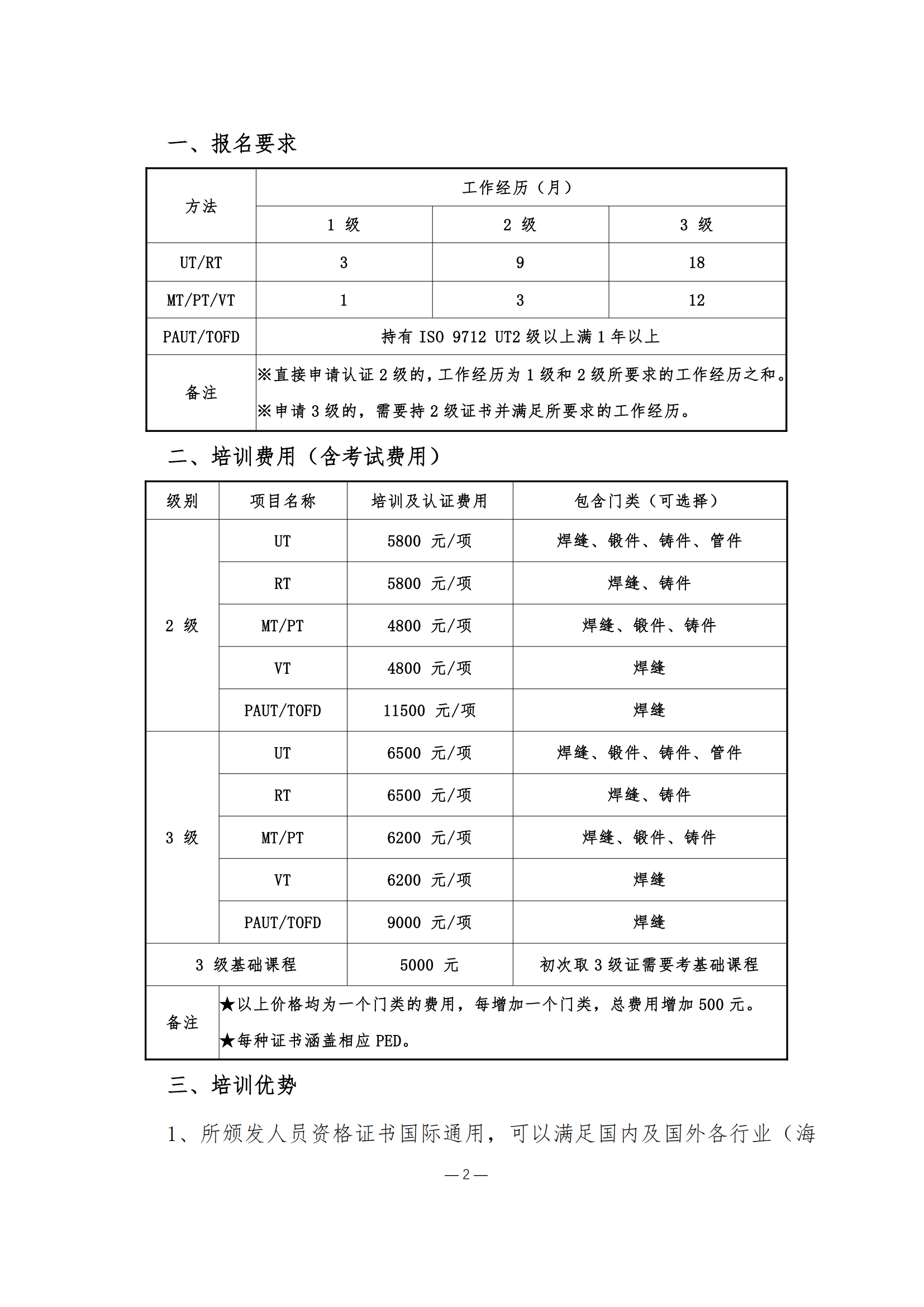
关于举办符合 ISO 9712 要求无损检测人员培训、考核班预报名的通知
发布时间:2025-06-05
点击数量:
525